高级模块-单证管理

学会更新单证状态;学会单证入库、出库,学会操作单证结存;学会处理单证盘库
回复
helen.zhao
帖子: 20
注册时间: 周一 8月 06, 2018 11:29 am

高级模块-单证管理

帖子 helen.zhao » 周三 6月 17, 2020 5:52 pm

《7-高级模块-单证管理》
7-单证--标准视频20180913.mp4
(56.04 MiB) 下载 973 次
7-高级模块-单证管理.pptx
(684.89 KiB) 下载 1352 次




单证管理

Document management



课程架构 Class Structure

时间:30分钟

前提:

✓ 已完成 核心系统上线沟通
✓ 已完成 分支机构参数管理课程
✓ 已完成 协同保险公司管理课程
✓ 已完成 人资基础管理课程
✓ 已完成 保单管理的课程

面向:负责单证管理的老师

目标:
1、学会更新单证状态;
2、学会单证入库、出库;
3、学会操作单证结存;
4、学会处理单证盘库;


课程资料:保险公司某个月的对账单


课程目录 Content


一、上期内容回顾
二、课程概述
三、行政月历及流程
四、系统模块用途
五、系统功能演示



一、上期内容回顾

继续率管理

学会维护继续率换算系数;
学会使用业绩数据重新组织、继续率重新组织;
学会查询代理人的R13、R25、R37…继续率;
学会查询保险公司的R13、R25、R37…继续率。



二、课程概述

图片1.png


三、业务场景及流程


/aixin 行政月历表

图片2.png


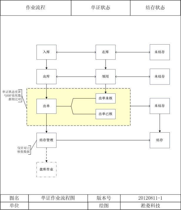
/aixin 单证作业流程图

图片3.jpg


四、系统模块功效


1、帮助您做单证出入库管理;

2、帮助您更改和记录单证状态;

3、帮助您确认单证的领取和分发;

4、帮助您实现单证盘库;



五、系统功能演示


单证状态更新流程图
图片4.jpg


单证入库流程图
图片5.jpg


单证出库流程图
图片6.jpg


单证批量结存流程图
图片7.jpg


单证盘库作业流程图
图片8.jpg




淞菱平台
中介数字赋能·成就企业价值

青岛·深圳
青岛 运营管理中信&研发中心
客服:400-670-9080
官网:https://www.sunglink.com/
地址:青岛市市南区银川西路67号国际动漫产业园E座306

回复